30

行业持续耕耘

35

+

合作伙伴

30

+

业务遍布国家

5000

+

全球客户

x

核心功能

泰科纳技术专注于精密测量领域,以服务为核心,市场需求为导向

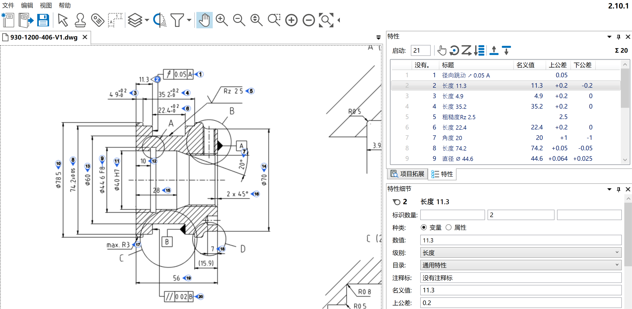
快速标记与自动提取尺寸信息

  • 点击印章按钮
  • 一键框选图纸
  • 自动提取尺寸信息
  • 一键生成气泡图
预约演示

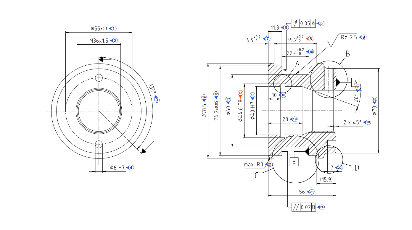
一键导出气泡图

  • 一键生成并保存已经标注好的气泡图
预约演示

一键导出检测计划表

  • 一键导出检测计划表
  • 检测计划表模板按需定制
预约演示

图纸版本比较功能

  • 快速地比对图纸的新旧版本
  • 图纸版本一键更新
  • 节省二次标注的时间
预约演示
国际化专业级
泰科纳图纸数字化软件
Beijing TKN Technology Co.. Ltc

泰科纳图纸数字化软件来自德国,我们是亚洲区的独家授权代理。德国做这款软件已经有30年了,30多年就专注一件事——解放双手,让图纸气泡标注更智能化。所以它在德国和欧洲普及率已经很高了。已经成为德国乃至欧洲工厂的标准配置,在全球范围内拥有不可替代的行业顶尖地位。

客户信赖

全球5000+客户信赖

应用领域

开拓更广泛的精密测量领域的应用场景与空间。

用户反馈

用户给予的高度评价是我们前进的动力
时间节省90%
告别 Excel 繁琐操作,在质量规划和报告流程方面所花费的时间,效率提升了90%。
赢得更多订单

图纸数字化软件使用没多久,工厂评分就上涨了,上个月供应商又多下单了50%订单。


更快的检验报告
检验计划报告制作时间效率提升80%,从下发图纸到投入生产最快只需要0.5小时
来自客户的声音
他们来料检验方案比我们SOP还精细,刚批了十万预算,明天就让质量部也采用这套系统

期待与您的合作,请留下您的信息,我们会派专员与您联系!

咨询专家

电话咨询

二维码

在线咨询

企业公众号

企业微信

联系电话

17718520076

地址

北京市朝阳区达美中心T3 1712

Copyright@2025 泰科纳气泡图软件 All Rights Rseerved.