关于泰科纳

ABOUT TKN

产品视频介绍

​德国精工,30年的专注与沉淀:解放双手,让图纸气泡标注更智能化全球发达国家信赖之选,欧洲已全面普及

x

传统难题

手工标记气泡

传统方式手工一个一个地在图纸上标记气泡。

手工整理数据

手工整理数据并录入到Excel表格里。

校验图纸数据

对着原图纸一个一个检查核对。

制作检验计划

根据公司要求完成检验计划表。

产品优势

  • 提高质量控制精度

  • 降低人为错误

  • 降低人工成本

  • 提升企业竞争力

  • 加速生产流程

  • 提高质检效率

  • 增强可追溯性

  • 助力数智化转型

产品功能

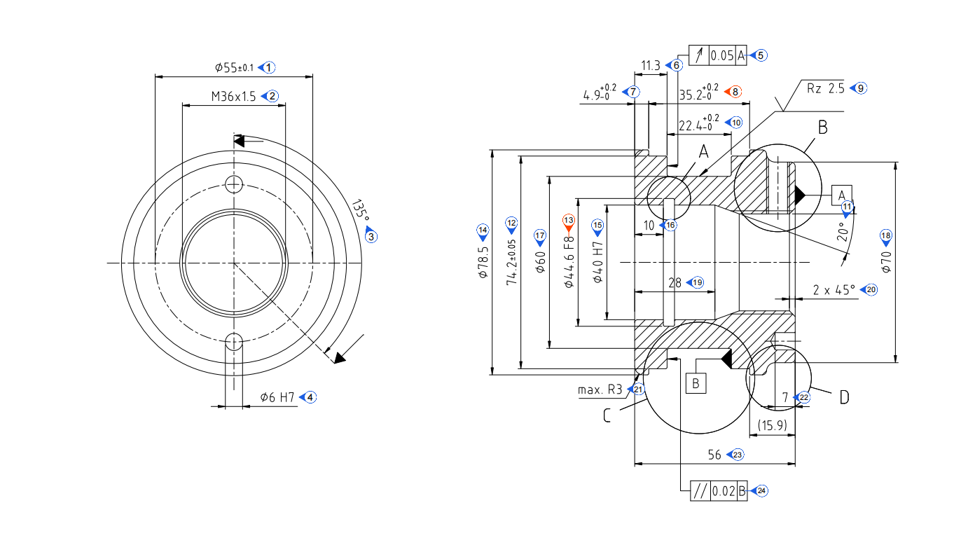
快速标记与自动提取尺寸信息

  • 一键框选图纸
  • 自动提取尺寸信息
  • 一键生成气泡图
预约演示

一键导出气泡图

  • 一键生成已经标注好的气泡图
预约演示

一键导出检测计划表

  • 一键导出检测计划表
  • 检测计划表模板按需定制
预约演示

图纸版本比较功能

  • 快速地比对图纸的新旧版本
  • 图纸版本一键更新
  • 节省二次标注的时间
预约演示

测量系统无缝互连

  • 和量具和蔡司三坐标对接
  • 测量的特征导入三坐标中
  • 也可以直接快速导入回excel
预约演示

支持多种文件格式

  • 内置多种公差表
  • 涵盖了国内外的各种标准
  • 也可以导入自定义的公差表
预约演示

内置多种公差标准

  • 内置了多种公差表
  • 涵盖了国内外的各种标准
  • 也可以导入自定义的公差表
预约演示

自定义个性化设置

  • 自定义个性化设置
  • 细节功能丰富
  • 气泡的颜色、样式等都可以按需求定制
  • 满足您们的标注操作习惯
预约演示

人工VSOCR技术VS泰科纳=效率对比

人工

数据统计周期冗长

无法处理PDF格式中的矢量数据

无法处理CAD中的几何数据

传统人工方式落后

人工成本高,错误率高

OCR技术

难以处理复杂图形元素,易误识别

可能扭曲比例,影响精度

丢失元数据效率低且需人工修正

特殊字体、符号识别不准确

忽略结构和层次,丢失上下文关系

泰科纳

提高质量控制精度

提升企业竞争力

加速生产流程

提高质检效率

助力数智化转型

电话咨询

二维码

在线咨询

企业公众号

企业微信

联系电话

17718520076

地址

北京市朝阳区达美中心T3 1712

Copyright@2025 泰科纳气泡图软件 All Rights Rseerved.