Technical articles
一、泰科纳气泡图软件简介
在当代工程设计与质量管控体系中,气泡图软件已成为不可或缺的数字化工具。气泡图软件专注于图纸的智能标注与版本管理,通过动态气泡直观展示关键参数,显著提升了技术图纸的解读效率与协同管理能力。以泰科纳气泡图软件为例,其作为行业领先的气泡图标注解决方案,支持全流程功能操作演示,用户可通过实时投屏交互深入评估软件性能。在汽车制造与航空航天领域,面对高复杂度的装配图纸,传统手工标注效率低、易出错的问题突出。泰科纳气泡图软件通过底层文字编码技术,为高效、精准的图纸标注与管理提供了理想的解决方案。能够将尺寸、公差等数据的精准提取与自动化归档,并能实现分类整理数据,极大便利了后续的查询与使用。

二、图纸标注的核心价值与气泡图软件的实践赋能
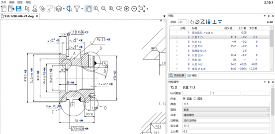
图纸标注是工业生产的基石环节,尤其在汽车制造、航空航天等精密制造领域,是设计师、工艺师与装配人员协同作业的核心依据。其精准性直接关乎产品质量与生产流程效率。以精密机械零部件加工为例,图纸中的尺寸公差、形位要求等关键参数,直接决定了零件的加工精度与最终性能。任何标注失误,轻则导致装配困难,重则引发系统性质量问题,造成难以估量的损失。泰科纳气泡图标注软件,正为图纸标注效率带来革命性提升。它支持DWG等多种格式图纸,用户仅需一键框选图纸,即可秒速完成全图标注,将传统繁琐流程压缩至极致,显著节省人力与时间成本。工程师可借助软件对尺寸、形位公差等要素进行立体化标注。每个气泡均可承载精准数值、公差带等丰富核心参数,令图纸信息层次分明、一目了然。软件还提供灵活的编辑与修改功能,支持工程师根据工艺迭代需求实时调整,真正实现了标注流程的可视化与智能化变革,为高质量生产筑牢数据基石。
三、智能标注:效能跃升之道与软件的智慧实现
作为泰科纳气泡图软件的核心功能,智能标注以其高效性、准确性及高度规范性显著提升标注作业效能。告别手工标注的耗时与易错:面对堆积如山的图纸,智能标注仅需传统方式10%的时间即可完成,效率提升清晰可见。更重要的是,它如同一位不知疲倦的“标准卫士”,基于严密的预设规则与强大算法,确保跨图纸标注风格与内容的统一性,有效规避人为差异风险。泰科纳气泡图软件正是通过尖端的算法内核与技术实现智能标注。泰科纳气泡图软件正重新定义工业质检的精度与效率边界。其工作流程为:点击“一键识别”功能即可智能扫描分析图纸,精准抓取尺寸、公差等关键元素,并内置多种预设规则与模板库,可智能适配图纸特性,自动完成精准标注。为满足个性化需求,软件同时提供强大的自定义功能,用户可依据企业标准或行业规范,灵活设定标注的字体样式、颜色、大小等,让智能标注真正成为量身定制的生产力工具。
四、图纸版本比较的意义与气泡图软件的支持
图纸版本比较是缩短产品上市周期的加速器。随着产品的迭代升级和设计变更,同一份图纸往往会产生多个版本。传统人工比对既耗费工程师大量复审时间,又易漏检。泰科纳气泡图软件的图纸版本比较功能将释放三重效率红利:压缩设计迭代周期、缩短工艺准备时间、提升产线切换速度。尤其在小批量定制领域,其高效的版本管理可使订单响应速度提升90%,增强企业柔性制造能力。同时,细致的版本比较也是质量追溯和问题分析的关键依据,有助于快速定位问题根源,提升产品质量和项目管理效率。泰科纳气泡图软件为图纸版本比较管理提供高效的方案,用户可以直接导入不同版本的图纸文件进行比对。强大的图纸版本比较功能,一键传输所有特性,将相同尺寸信息直接传输到新图纸,节省二次标注时间,高效的应对设计变更。同时,直观地以红/蓝标识符高亮显示两个图纸版本之间所有修改过的地方,包括尺寸变化、公差调整、视图更新或注释增减等。这样,在软件界面上就能一目了然地看出具体的变更点和变更内容,极大地方便了设计评审、工艺核查和生产准备。
五、定制化Excel模板与质量管理流程的自动化闭环
输出模板定制化是质量管理体系的核心工具。不同行业、企业甚至项目对报告格式和内容的要求各不相同。通过定制输出模板,企业能够按照自身标准规范,生成符合企业需求的报告。例如,在质量检测报告中,模板通常需包含图示尺寸、尺寸类型、极限公差值、检测量具、实测数据、判定标准及结论等核心内容,确保报告格式标准化,减少人为差错,避免信息遗漏,便于审核与追溯。此外,泰科纳气泡图软件不仅支持将标注好的气泡图一键输出到Excel检验报告中,还可与闪测仪、三坐标、量具等检测设备进行联动。泰科纳气泡图标注软件将图纸标注的公差范围、关键尺寸及检测要求自动转换为待检项目的编程语言,直接导入到三坐标的软件里进行检测。同时,测出来的实际数据,也可以快速导回到Excel表格中,形成数据全自动化闭环。在实际应用中,质量部门也可直接将标注好的气泡图携带的数据上传至MES/QMS/PLM/ERP/SPC等系统,实现质量过程的闭环管理。这种集成化方案大幅缩短了“检测-决策-改进”的周期,推动质量管理向数字化、智能化转型。