Technical articles
在二维图纸气泡图标注领域稳居领先地位的泰科纳气泡图软件,早已凭借“极简操作+超高准确率”成为企业提效提质的“标配工具”,赢得了众多行业内的赞誉。如今,这款备受瞩目的软件迎来了重大升级——新增三维图纸识别标注气泡图功能。

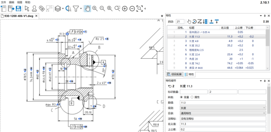
此前,泰科纳已凭借硬核实力圈粉无数:一键框选即可自动生成气泡图,完美兼容CAD、DXF、PDF等主流二维格式,一键导出检测计划表的便捷功能,以行业领先的识别准确率,轻松解决传统图纸标注效率低、易出错的痛点。
此次三维功能的重磅加持,更是将软件实现了从“二维专精”到“全能突破”的跨越式升级!

一、三维功能重磅加持,操作依旧零门槛
此次升级新增的三维高阶能力,让标注不再局限于平面:无需复杂设置,直接读取STEP格式三维设计模型,精准捕获尺寸、几何公差等核心数据,让三维标注像二维操作一样简单高效。

打开软件导入三维模型后,一键框选待检测尺寸,系统即刻在模型对应位置自动生成精准气泡标注;标注完成后,一键导出检测计划表,无缝衔接后续检测执行环节,全程无需人工反复核对。


二、六视图同步标注,精准连贯不脱节
其中,六视图同步标注功能更为强大!软件界面右上角集成了立体模型的六个标准视图,用户在三维模型中完成标注后,六个不同角度的视图会自动同步对应标注信息。这意味着标注不再局限于单一平面,而是基于立体空间完成。






一键标注后,无论切换至哪个视角,气泡标注都能精准匹配对应位置,彻底避免了传统标注中多视图核对繁琐、易错位的问题,极大提升了标注的准确性与连贯性。
三、全流程数字化闭环,降本增效超显著
更具行业竞争力的是,泰科纳气泡图软件可直接对接三坐标测量仪、影像仪、量具等精密检测设备,构建起“设计建模-气泡标注-检测执行-数据反馈”的全流程数字化闭环。据实际测试,这一闭环可使检测周期缩短90%以上,大幅降低企业人力成本与时间成本,为企业运营减负增效。


能实现如此突破性升级,背后是德国厂家30年技术积累与强大的研发实力支撑。凭借“先人一步”的研发理念,始终聚焦行业痛点,持续推动软件升级迭代,不断推出超越市场期待的强大功能。

无论是机械设计、质量控制还是生产管理岗位,都能通过这款软件获得全方位赋能,助力企业真正实现“降本、增效、提质”的核心经营目标!
如果您对三维图纸气泡标注功能感兴趣,欢迎联系泰科纳技术,官网链接:http://www.tkntech.com.cn/index.php?id=119 ,获取软件详情及专属演示服务!